

Центробежный вентилятор R2E220-AA40-B8 / R2E220AA40B8 от ebm-papst
Общее описание:
Центробежный вентилятор R2E220-AA40-B8 (также обозначается как R2E220AA40B8) производства ebm-papst – это высококачественное оборудование, предназначенное для эффективного перемещения воздуха в системах вентиляции, охлаждения и кондиционирования. Модель отличается надежностью, энергоэффективностью и низким уровнем шума, что делает её востребованной в коммерческих и промышленных применениях.
Характеристики:
- Тип вентилятора: Центробежный (радиальный)
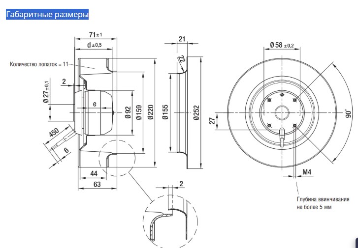
- Размеры (Д × Ш × В): Уточняются в спецификации (стандартно для серии R2E220)
- Напряжение питания: ~220-240 В (возможны варианты в зависимости от модификации)
- Частота тока: 50/60 Гц
- Мощность: Зависит от режима работы (уточняется в даташите)
- Производительность (воздушный поток): Доступны различные варианты (зависит от скорости вращения)
- Скорость вращения: Регулируемая или фиксированная (в зависимости от исполнения)
- Уровень шума: Оптимизирован для минимизации звукового давления
- Корпус: Прочный пластик или металл (защита от внешних воздействий)
- Применение: Вентиляция серверных помещений, HVAC-системы, промышленные установки, медицинское оборудование.
Особенности:
✅ Высокий КПД – экономичное энергопотребление благодаря технологии EC-двигателя (если предусмотрено).
✅ Долговечность – качественные подшипники и устойчивые к износу материалы.
✅ Гибкость управления – возможны варианты с PWM, 0-10 В или ступенчатым регулированием.
✅ Низкий уровень шума – аэродинамически оптимизированное колесо и корпус.
Где купить?
Официальные дистрибьюторы ebm-papst, специализированные магазины вентиляционного оборудования,
Аналоги и замены:
В зависимости от требований можно рассмотреть модели R2E220-AA40-B6, R2E220-AP40-B8 или
